Xi lanh điện CAP 32 thuộc nhóm sản phẩm Xi lanh điện tải lớn của Hãng EWELLIX. Xi lanh điện tải lớn có khả năng đáp ứng các yêu cầu có tải trọng lớn (lên đến 12000N). Với cấu trúc vòng chặn kết hợp seal kín khít, khả năng chống bụi và chống nước đạt đến IP 66/69K.
Ứng dụng đa dạng trong máy móc cỡ lớn trong sản xuất nông nghiệp, khai khoáng. Công ty Cổ phần Minh Việt phân phối chính hãng EWELLIX
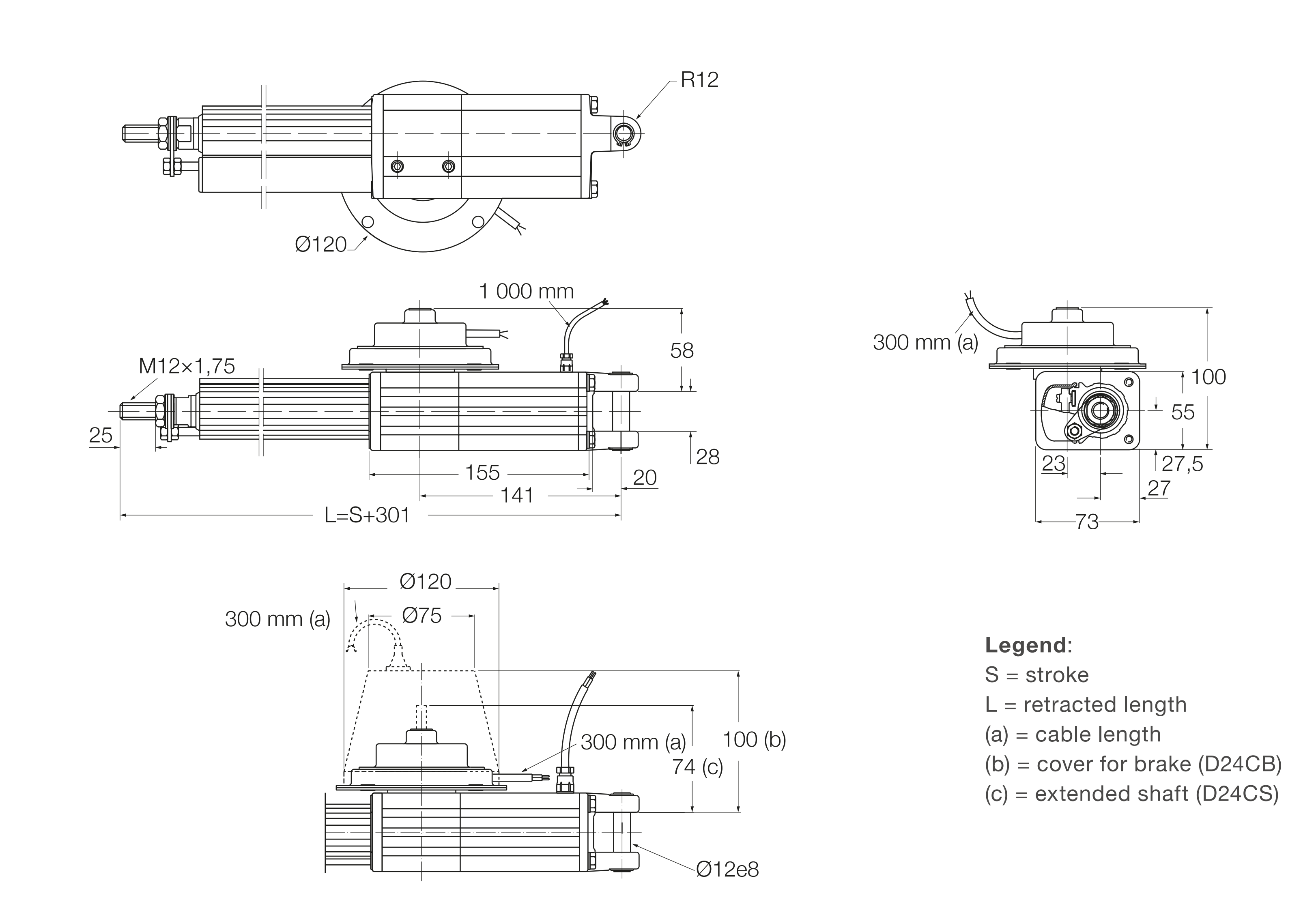
Bảng thông số kỹ thuật Xi lanh điện CAP 32
| Unit | CAP 32 – AC version | CAP 32 – DC version | ||
| Rated push load | N | 1 500 to 3 500 | 1 000 to 3 500 | |
| Rated pull load | N | 1 500 to 3 500 | 1 000 to 3 500 | |
| Speed (full load to no load) | mm/s | 6 to 32 1) | 5 to 60 1) | |
| Stroke | mm | 50 to 700 | 50 to 700 | |
| Retracted length | mm | S+301 | S+301 | |
| Voltage | V AC | 120 or 230 | – | |
| V DC | – | 12 or 24 | ||
| Power consumption | 120 V AC | W | 98 (brake 133,2 W) | N/A |
| 230 V AC | W | 92 (brake 117,3 W) | – | |
| 12 or 24 V DC | W | – | N/A | |
| Current consumption | 120 V AC | A | 0,82 (brake +0,29 A) | – |
| 230 V AC | A | 0,4 (brake + 0,11 A) | – | |
| 12 V DC | A | – | 13 | |
| 24 V DC | A | – | 8 | |
| 24 V DC | A | – | 5 (for motor D24CW) | |
| Duty cycle | % | 30 | 25 | |
| Ambient temperature | °C | –20 to +50 | –20 to +50 | |
| Type of protection | IP | 20/54 | 20/44 | |
| Weight | kg | 2,9 to 5,0 | 2,9 to 5,0 | |
Bản vẽ – AC version

Bản vẽ – DC version

Biểu đồ lực Xi lanh điện CAP 32
AC version

DC version

Hiệu suất hoạt động Xi lanh điện CAP 32
AC version

DC version

EWELLIX là nhà cung cấp toàn cầu về các giải pháp truyền động và chuyển động tuyến tính. Ngày nay, các giải pháp tuyến tính hiện đại của EWELLIX được thiết kế để tăng hiệu suất máy. Tối đa hóa thời gian hoạt động, giảm bảo trì, cải thiện độ an toàn và tiết kiệm năng lượng. EWELLIX thiết kế các giải pháp cho tự động hóa công nghiệp, thiết bị y tế, máy móc di động. Phân phối công nghiệp và các ứng dụng công nghiệp khác.
Xi lanh điện EWELLIX năng suất cao hơn với chuyển động nhanh và mượt mà. Tích hợp dễ dàng và nhanh chóng vào thiết bị của khách hàng cũng thông qua giao tiếp bus CAN. Độ tin cậy và bảo vệ cao hơn. Tiết kiệm chi phí và hầu như không cần bảo trì. Giám sát và chẩn đoán trên bo mạch. Đặc trưng: Phản hồi vị trí tuyệt đối hoặc tăng dần và công tắc giới hạn (tùy chọn). Tích hợp bảo vệ quá tải và quá nhiệt. Kết cấu chắc chắn, dải nhiệt độ rộng, chống ăn mòn. Nền tảng SmartX với bộ điều khiển tích hợp.








